Charging System Tests

by Richard Atwell
(c) Copyright 2005-2011

badge

Contents:

  1. Battery Tests
  2. Battery Charging
  3. Battery Load Testing
  4. A word about Optima
  5. Terminals
  6. How does the Alternator work
  7. Alternator Output
  8. How the Voltage Regulator Works
  9. Testing the Voltage Regulator
  10. Testing the Alternator
  11. Alternator Wear

Quite often when your battery stops charging you are left wondering why subsequent attempts at component replacement fail to cure the problem. I've provided a set of detailed steps to follow to help you determine which parts have failed. Steps are many but thorough to help to hunt down your electrical gremlins.

This article only covers bus alternators and not the early style generators.


Before we start, there are two conventions to observe. First, VW wiring systems are negative ground which means that the negative post of the battery is connected to the vehicle body. This may seem natural but positive ground systems exists (like vintage British made Jaguars) which can be confusing to people who have worked on the opposite system.

Second, when talking about current, in the automotive field we more often mean conventional current which states that current flows from positive to negative. In reality, electrons (which are the charge carriers) flow from negative to positive but the conventional system is illustrated in more texts (a hold over from the early days of science).

Overview:

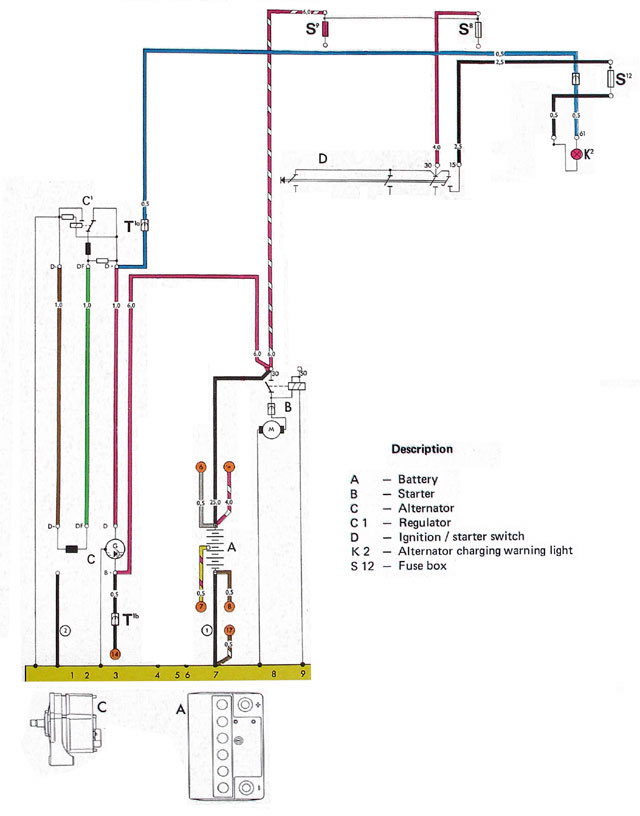
wiring diagram

The charging system is made up of 3 components: (A) the battery, (C) alternator and (C') voltage regulator. The battery is the heart of the system that produces voltage and provides storage for electrical current. When the engine is off, the battery powers the lights and accessories. When you are trying to start the engine, the battery powers the starter and ignition system. It also energizes the alternator which begins to produce its own current when the alternator nears the engine's idle speed.

The alternator charges the battery while the engine is running; without it, the battery would run down very quickly. Although the alternator is a source of current, you might think that once you start the engine you could disconnect the battery but the system is not designed to operate that way. You should not run the engine without the battery connected especially if you have FI or sensitive electronics that always expect 12-14V. The battery is integral to the proper functioning of the electrical system.

When the engine is running, the battery and alternator provide power simultaneously. The alternator tries to power the electrical system and charge the battery at the same time but because the alternator's output is somewhat dependent on the engine rpm, when loads are high the battery can instantly supply more current when necessary. It's the electrical "shock absorber" in the system which is essential a huge capacitor (measured in F not uF!). When the alternator is spinning at high rpm it is easily producing enough electricity to meet all of the current requirements.

How and when to charge the battery is determined by the voltage regulator which controls the current flow from the alternator to the battery. It's mounted on the firewall which acts as a ground and heat sink. The VR reads the battery voltage and varies the alternator's output accordingly.

Because the battery, alternator and VR are so closely coupled, figuring out which one is at fault can be difficult without following the proper diagnostic steps. The diagram on the right shows the tight electrical coupling between components. Generally battery tests are simple but determining whether the alternator or VR is at fault can be complicated unless you understand how they work.

In the wiring schematic you can see how the alternator is indirectly connected to the battery via the starter solenoid. You can also see how the ignition switch is battery powered and activates the warning lamp which serves a dual purpose: it completes a circuit that also energizes the alternator via the voltage regulator even before the engine has been started. What's important to note from the beginning is that there are a lot of electrical contacts involved. Print out this diagram and keep it in your glove compartment.

Because the battery is the easiest to test and the most essential, we'll figure out how to test it first. Then we'll proceed to the voltage regulator and the alternator last. Along the way I'll explain how each works so the reason for each tests can be understood.


Battery Tests:

Disclaimer: Electricity and battery acid can both be very dangerous. Electrical shorts can start fires. When handling batteries, use all precautions because the contents are a highly corrosive potentially explosive poison. Use ventilation, remove jewelry, wear protective clothing and eyewear, etc.

The stock size battery for the bus is a Group 42 or Group 41 as rated by the Battery Council International (BCI). These are European style batteries: they look the same but the terminals are reversed compared to an "American" battery. For Europe, positive is on the right and negative on the left with the terminals facing towards you. If you purchase another group battery for your bus, the cables might not reach if you flip it around so the terminals face the body, especially on a 73-79 bus. Note that the 68-72 models have the battery cables reversed (ground strap is behind the taillight) so you could use a US battery.

As you can see, of the two batteries the dimensions are very similar with the Group 41 being about 2" longer.

GroupCCACAAhRCSize (inches)
424505655476 min9-5/8 x 7 x 6-3/4
4165081563110 min11-1/2 x 6-7/8 x 6-5/8

So what do the ratings mean?

The rule of thumb with regard to battery selection is to favor CCA in cold climates and RC in warmer climates when comparison shopping. Always apply the minimum BCI group ratings in your selection process before you elect to choose another battery group that fits the battery clamp so you don't end up picking an underpowered battery.

Here's a list of typical drain levels for a fuel injected engine to give you an idea of the current demands:

ConditionAmperage
Ignition on 3.5A
+ parking lights 3.8A
+ low beams (55W) 15.5A
+ high beams (60W) 17.2A
Engine on 5.0A
+ low beams (55W) 17.2A
+ high beams (60W) 18.8A
+ alternator -5.0A

As you can see the amount of running time you'll have at night will be slightly longer than the RC rating of you battery because the load is less than 25A specified by the standard. If you are running your stereo as well, YMMV. The last entry in the table is the most interesting as it shows the alternator powering all of the electrical loads (minus the lights) while charging the battery at the same time.

Beyond size, there are two basic types of batteries that are constructed differently: starter and deep cycle. A deep cycle battery can be discharged almost completely and recharged over and over but only with moderately low current draw. A starter battery cannot be deep discharged. Why not use a deep cycle all the timer? Because it's not deigned to deliver high current loads for short periods of time to run the starter. Failure to use each battery type as intended will shorten its lifespan.

Test 1. Confirm the battery voltage

Alternators are designed to keep a battery charged and power the accessories in the bus. They are not designed to recharge a dead battery so you must test the battery before you attempt to diagnose the rest of the charging system. Alternators seem like they are working 100% of the time but in actuality they are turning on/off at regular intervals. Attempting to recharge a dead battery will overwork the alternator and may burn it out.

Automotive electrical systems are not exactly 12V. The lead-acid battery consists of 6 cells connected together in series. Each cell produces approx 2.1V from from the electrochemical reaction so the battery voltage is really closer to 12.6-12.8V when fully charged. You need a voltmeter to measure the battery.

100% charged

Because we are so used to hearing about 12V automotive electrical systems, we tend to ignore the exact battery voltage. Take for example a battery that reads 12.35V. At first it seems to be in perfect condition (about 12V right?) but in reality a 12.35V battery is only 50% charged, 12.0V is 25% and 11.80V is completely drained. Whenever the battery reads 11.99V or lower it is basically a "dead" battery that has lost almost all of its charge. This will give you a rough guide to the state of charge (SOC).

What are the critical voltages for operation?

  1. 7-9V to engage the starter
  2. 10.5V to fire the fuel injectors on (75-79 models)
  3. ignition system: varies according to spark plug gap

Below those minimums you will be stuck trying to start the engine.

When batteries go bad, the plates inside sulphate and interfere with the normal chemical reaction. Sulfation is a term that refers to the battery chemistry. Each cell, contains positive lead plates that are coated with lead and negative plates that are coated with lead dioxide. When the battery is connected to a load that causes current to flow, the hydrogen and sulphate ions in the electrolyte combine with the plates to form lead sulphate which form as crystals. As the electrolyte becomes devoid of ions, it becomes weaker and the ability to pass current lessens. When the battery is recharged (current reversed) the lead sulphate returns to solution leaving lead behind on one plate and lead dioxide on the other.

To say a battery has sulfated means that the lead sulphate cannot return to solution. This is because the bond between the sulphate and the plate requires more electricity to break than can be generated thru normal charging. Simply leaving a battery on the shelf for a month will cause a light level of sulfation that can be reversed by recharging. The longer the battery size that more layers of crystals build up and eventually the battery dies. The cure is to recharge batteries regularly whether on the shelf or in use.

It's also possible for vibration and deep discharging to cause the lead plates to shed their coating and eventually short out the cell. Since the battery electrical chemistry is based on surface area, it becomes weaker in the same way that a low electrolyte level cause the battery to underperform (low voltage and low current capacity). Shedding also occurs from age.

Low electrolyte levels and sulfation from deep discharging are reported to account for over 50% of battery failures yet they are easy to prevent. Regular check-ups of the battery can easily extended their life to full.

Often a battery that appears good cannot provide enough current to start the engine. Before taking any readings, with the engine off, turn on the headlights for 15 minutes to remove any surface charge from the battery then turn the lights off and take your measurements.

Once you turn on the engine and the alternator kicks in, the battery voltage will rise near 14V. The higher voltage is necessary to charge the battery (push the electrons against the battery voltage). More on the alternator later so avoid turning the engine on at this point.

Chemical reactions are temperature dependent so your exact measurement will vary from mine even if you have the same brand of battery:

ConditionBattery Voltage
Initial check 12.70V
Key in 12.50V
Lights on 12.21V
15 min later 12.12V
Lights off 12.41V
another 5 min later 12.60V

Be sure to test the voltage at the battery posts and not at the clamps because there maybe corrosion that will affect the true reading.

After this test, my true battery reading shows that it's down 0.10V (12.7-12.6V) or 90% charged. A battery with a higher level of surface charge would show a much lower final value after the headlights had put the battery under load so you can see why testing the initial voltage isn't sufficient.

A seemingly good battery when tested for voltage can exhibit a large voltage drop under load. Keep the probes on the terminals for 10-15s to notice any continual voltage drops. The voltage should hold fairly steady on a good battery while the lights are on but would 0.01V drop every 1-2s on a weak battery. After 15min if the battery voltage is in the 9.xx range and still dropping you can be sure that it is time to replace the battery because it cannot deliver power for electrical loads anymore.

A battery like this will often spring back to a 12.xx voltage after you turn the lights off which demonstrates the importance of taking multiple voltage readings and watching the results while the lights are still on.

It is much easier to notice these decremental voltage drops on a digital meter compared to an analog one.

If you can't figure out why your battery is running down when your let you bus sit you may have a current drain issue. The factory clock and draws only a few mA and if you have a stereo it might draw some current to keep it settings. These accessories are called parasitic loads and they will eventually drain your battery down to the point that it cannot start your engine. Connect your ammeter between the battery negative cable and post to test for excessive loads. DO NOT start the engine or turn on the headlights or you will blow your ammeter. Only an inductive clamp should be used to measure those large amounts of current while the engine is starting/running. Do not connect your ammeter if you are not 100% sure that the current draw is less than the current rating of your ammeter if you are not using a current clamp and instead measuring it directly.

checking current drain milliamps drain

Anytime the current draw is greater than 35mA you should suspect an accessory or wiring problem. The best way to attempt to isolate the issue is to pull fuses one and a time and watch your ammeter to see where the largest drop in current occurs. From there you can examine the wiring diagram for that part of the wiring harness to try and pinpoint the problem.

Test 2. Check the electrolyte level

A lead acid battery is so named because it consists of lead plates and a sulfuric acid solution. The solution is 64% distilled water and 36% sulphuric acid (H2SO4). If you get this solution on your clothing it will eat through it so always be careful around an open battery. You do not want it getting in your eyes either.

If you have a sealed battery it will often have an indicator on the top that indicates the battery state of charge along with a legend to read it. It's usually a colored indicator that shows good, weak and dead. Unfortunately they only test one of the six cells so their usefulness is limited.

Many batteries are not sealed and you have to check on the electrolyte level by popping the sealing caps. Some sealed batteries will let you open them but only attempt this if there are caps on top. Attempting to crack open another kind of sealed battery is counter productive. I recommend selecting a non-sealed battery in warm climate. They will more easily allow you to add distilled water that tends to evaporate/boil away in hot weather and will extend the life or your battery.

You can peer into the filler openings to check the fluid. More often that not the electrolyte level is too low from the heat having evaporated the water inside the battery. Because the battery has large plates inside any portion of the plates not covered by electrolyte, will not participate in the electrical reaction. In other words less current will be produced.

The filler caps are designed to let hydrogen gasses escape and allow the acid mist to condense and drop back into the battery. Keep the area around these caps clean and do not allow any contaminants to fall into the battery.

Only fill up the battery with distilled water from the grocery store. Often you can buy a gallon for $1 or so. Make a note of how low each cell is and do not overfill. Pour in just enough to cover the tops of the plates inside. If you overfill them, they make leak on you if the battery boils over from being overcharged.

Sometimes a battery low on water will permanently damage itself. You may be able to fill, recharge and return the battery to normal but you will find that it slowly discharges and strands you within 2-3 months. When that happens you need to purchase a new battery.

Test 3. Test the electrolyte

The state of the electrolyte is measured using a hydrometer which measures the specific gravity of solution. You insert the hydrometer into the cell, squeeze the bulb to suck up the electrolyte and take the reading at the eye level of the fluid. You then return the electrolyte to the cell and repeat the process for the other cells. It's very important to keep the hydrometer clean otherwise you will contaminate the electrolyte and the mineral deposits will interfere with battery cell operation.

Look for a tester that has numbers. The ones with colored balls or a floating strip are hard to read the exact specific gravity.

Specific gravity (SG) is a term from chemistry that indicates the weight of a solution relative to water which is given the value of 1.000. Sulfuric acid has an SG of 1.835 and so a fully charged battery has an SG of 1.270. As the battery discharges, the sulphate ions in the solution combine with the lead plates and the solution becomes weaker. By measuring the solution we can figure out how much charge the battery has left.

hydrometer

You may wonder you can't multiply/add 1.835 (35% acid) + 1.000 (64% water) to get 1.270? It is because a) the acid solution already had some water content and b) those number are based on a standard temperature which is much lower than the ambient temperature that you are taking your measurements at.

hydrometer level hydrometer level

Test chart:

Percentage chargeSpecific Gravity at 68FVoltage
100% 1.265 12.67
75% 1.225 12.47
50% 1.190 12.26
25% 1.155 12.08
0 1.120 11.91

If the difference between the higher and lowest value from all six cells is greater than 0.050 you also have a bad battery. Sometimes a cell fails completely and naturally results in a substantial total voltage drop (either 0V or any reading below 11V) so again it's time to replace that battery.

Some hydrometers are temperature compensating; others are not and calibrated at 80F. If yours is not auto compensating, then you must add 0.004 to your result for every 10F above 80F and subtract 0.004 for every 10F below 80F. Luckily this variation is small enough that you can largely ignore it unless you are performing your tests at temperature extremes.

Be sure your battery is secured properly: vibration has been known to cause them to fail prematurely.


Battery Charging:

If you've determined your battery is dead and is too weak to start the engine, you've got to charge it. Getting a jump from another vehicle is an option. Here's how to do it safely:

  1. Make sure the dead battery isn't frozen
  2. Keep cars insulated from each other
  3. Connect +ve jumper cable from good battery to dead battery
  4. Connect the -ve jumper cable from the good battery to the engine block or a good ground away from the dead battery to avoid sparks.
  5. Start the booster car (with the good battery)
  6. Run the booster car for 10 minutes at 2000 rpm to invigorate the dead battery and warm the electrolyte
  7. Start the bus with the dead battery
  8. Turn on the headlights and fan on the bus with the dead battery
  9. Remove -ve jumper cable from good battery, then dead battery
  10. Repeat above with +ve (this will prevent an accidental short with the cable)

Your VR won't be able to tell you've got a good or bad battery while connected to the other booster car. Once you disconnect, run your engine at speed for 30 minutes or so and will you be able to determine if your battery is charging properly by turning it off and attempting to restart. Do not do this if you are far from home! When you finally turn off the engine, you should check the voltages and SG again to confirm if the battery has been partially restored to health.

A useful device to own is a battery charger. These are great for keeping shelf batteries charged because they slowly drain down on their own. These inexpensive models are automatic, come in auto and motorcycle sizes. If you use the motorcycle units to charge a car battery they will taken a long time but still work effectively (good to know if you have both types of vehicles because the average auto charger will over-charge a motorcycle battery).

The manual type chargers are timer based and deliver a higher current more quickly. These units are usually very bulky (they have wheels!) and often expensive. If you don't understand the manufacturer's spec on your battery you may damage it by supplying too much current.

Remember to always disconnect the ground cable if you are going to charge the battery in the bus to avoid voltage spikes and limit the voltage that is seen by accessories because the chargers operate above 14V during some of their charging phases.

battery tender

Note that the battery tender model pictured above is only rated to charge a motorcycle battery quickly. If you purchase this model it will take 12-24 hours to charge a drained automotive battery"


Battery Load Testing:

While voltmeters and hydrometers are good diagnostic tools, once you determine that your battery is at least 75% charged, it's safe to load test without further charging. Any of these tests are suitable:

During the test the voltage should not drop below 9.6V. If you wait 5 minutes after the test the battery should regain it's 50% charge voltage level. If either of these tests fail, you should replace the battery.

Here's an example of a bad vs. good battery using the headlights on test. I'm using jumper cables to connect the battery cables to the battery outside of the engine bay:

Bad Battery Charged 12.66V Bad Battery Under Load 9.62V Bad Battery Recovery 10.13V
12.66V after charging with 5A battery tender 9.62V after lights on 5 mins (BAD BATTERY) 10.13V after lights off (recovery voltage)
Good Battery Charged 13.16V Good Battery Under Load 12.17V Good Battery Receovery 12.79V
13.16V after charging with 5A battery tender 12.17V after lights on 5 mins (GOOD BATTERY) 12.79V after lights off (recovery voltage)

If you still aren't sure if your battery is bad after testing and attempting to recharge, you can have it load tested at the local auto parts store. They will often use a carbon pile based load tester that simulates a large current like a starter would draw. The battery usually needs to have at least a 75% charge before the test and the tester is usually set to 3x the amp-hour rating of the battery or 1/2 the CCA rating. Small hand-held testers often draw 100-125A.

The tester will have a gauge that shows good/bad and usually a reading of 9.6V or higher during the load test indicates a good battery. The test lasts 10-15 second max. If the battery is not at room temperature, the cut-off for the threshold voltage should increase/decrease 0.1V per 10F change of electrolyte temperature.

Most of these load testers are NOT compatible with the newer AGM style batteries like Optima. AGM stands for Absorbed Glass Mat and the electrolyte is suspended in a gel so the battery doesn't leak. You may permanently damage this type of battery trying to test it at the auto parts store.

Circa 2005: Midtronics is a company that makes a new kind of battery tester that is starting to appear at auto parts stores. It is compact and easy to use although it has varying reports of accuracy. They sell many models but most only provide pass/fail information. This tester measures the conductance of the battery instead of simulating a real load like the carbon pile testers. The conductance (inverse of resistance) changes as the surface condition of the plates inside change. All batteries have some internal resistance inside and the microprocessor inside the tester put the battery through a series of tests before rendering a decision. Because its results are table lookup based, if it asks for the CCA of the battery and you can't find it on the battery label you won't be able to test it and depend on the results.

Some of these testers do not test the newer AGM style batteries like Optima and some do. Make sure you know the battery and tester specifications before buy.


A word about Optima:

Optima is battery unlike you've even seen before. It's made by Clarios (previously Johnson Controls and one the largest battery manufacturers) and is the closest yet to a leakproof design. If you are tired of acid leaks rusting out your battery tray, you should buy an Optima. They cost more than a normal battery but they also last longer because they don't lose water long before you've noticed it unlike a regular battery. They can also deliver a huge amount of starting current compared to a normal battery because they have a very low internal resistance (3 milliohms).

The Optima 34R is the model that best fits our busses (pictured below). 34 is the BCI group number and R means the terminals are reversed (European layout).

OptimaCCACAAhRCSize (inches)
34R100080050110 min10 x 6 7/8" x 7 16/16"

According to Optima, when fully charged the voltage should be 12.8V and the battery is compatible with any charging system that outputs 13.3-15.0V. When an Optima battery is dead it reads 10.5V.

2004 Optima lasted almost 18 years!

2022 update: I bought my Optima 34R from Sears in 2005 during a sale. I paid $120 at the time IIRC. Its serial number was 4250611313 (2004, 250th day = Sept 7th) and it had an 11-4 (Nov 2004) date sticker affixed to it. It finally died on Aug 20th, 2022. Even at today's Optima battery prices, that's way longer than the typical 4-6 years a lead-acid battery normally lasts so yes, I'm impressed and got a lot of value out of the purchase which at the time was considered expensive (roughly 2x the cost of a normal battery). After Katrina hit, battery prices jumped and now they are quite pricey.


Terminals:

As the battery terminals corrode, the electrical resistance that builds up is enough to impede both the charging and starting system. A small 0.1 ohm resistance at the battery terminals can reduce the starter's output by 92% because of the enormous current drawn. The power to the headlights is also reduced by 32% which reduces the visual intensity by more than 50%. Why does this happen? Ohms law: when the current level is high, the voltage drop is proportionally high. For example, 0.1 ohm and 10A = 1V drop.

A majority of charing and starting difficulties can be traced to the wiring in the form of corrosion or damage to terminal or sometimes it's as simple as loose connection. Either way, you are bound to experience this on a 25-30 year old vehicle like a baywindow bus.

Test 1. Check for resistance

The copper ends of the cables corrode as do the lead terminals and the battery posts. Start by measuring the resistance between the terminal and the battery posts and then each end of the cable.

+ve resistance -ve resistance

In both cases the voltage you want to see 0.0V volts with the battery connected or 0.1 ohms or less resistance with the ground cable disconnected. Turn on the headlights when testing the voltage because a load on the battery will make voltage drops easier to witness. Do not turn on the headlights when testing the resistance. Only test resistance with the battery ground cable disconnected.

zero volts meter internal resistance

When measuring resistance you want to first determine what reading you get by simply touching the probes together. Wires and internal components that are part of your meter have resistance that you have to account for in your measurements. If you measure 0.2 ohms and your probes account for 0.1 ohms you are really measuring 0.1 ohms.

In addition to the braided cable connecting the battery negative to the body you must also check the transmission ground strap that connects the starter (via it's casing) to the body. A large enough voltage drop there will also cause starting difficulties (more about this below).

Test 2. Clean the terminals

Heavy corrosion can be neutralized and cleaned with a wire brush and a solution of baking soda and water. Special terminal cleaners are sold that can clean the posts (left) and the cables (right).

terminal cleaner post cleaner

When terminals are clean and dry, reattach the cables and coat the terminals with petroleum jelly or a special purpose battery terminal spray.

If the corrosion is extensive you may have to replace the cable or crimp/solder on a new terminal. Lead based terminals should be avoided because they don't hold their shape and corrode badly. I prefer the high quality components used below. They don't corrode and provide a soldered moisture proof connection from the cable to the terminals.

battery cable repaired cable

Some people insist that you replace the entire cable but that depends on the condition of the cable and if they sell cables! A simple terminal replacement like this can bring your electrical system back to life and prevent the unnecessary purchase of a new starter or alternator.

Test 3. Check the starter terminals

You also want to clean the large terminal on the starter solenoid. For some reason VW chose not to put a rubber boot over these items. Any other electrical connection in the undercarriage that is protected by a boot is usually in great shape after 25-30 years. Not so with the solenoid. The large terminal where the battery (black) and alternator (grey) cables meet is terminal 30.

starter wiring

Ignore my remove starter comment in the photo: I reused it from another article.

In addition, you need to make sure you've got good continuity between between all the starter terminals because if you can't start you can't charge either. Following the circuit, cleaning and testing:

Lastly, the battery case itself should be clean because voltage can leak from the positive terminal to the battery body to ground through the dust and acid that collects on top. Use a mild baking soda solution and completely dry the battery before installing it.


How does the Alternator work:

Before I explain how to test the voltage regulator and alternator I need to explain how both work. If you are familiar with its operation you may want to skip the next 3 sections.

The alternator charges the battery by reversing the current flow through it and reversing the chemical reaction inside as a result. It also supplies current to the entire electrical system. Fully testing the alternator requires an understanding of how it operates and when it generates voltage and current.

The alternator is an electric generator with rectified output. This means that unlike DC generators it produces AC and turns it into DC instead of producing DC directly. This has proven to be a more efficient design than generators because:

If you let your old beetle idle, the battery tends to run down more easily with a generator. You may also notice the charging light on the dash at idle or when driving at night time. This is because the generator by design has to be driven at a lower max. speed than an alternator which can easily be driven at 2x engine speed. Six volt electrical systems were even worse: the headlight output would increase as you revved the engine because the generator was so poor and providing current to keep the battery charged at idle.

exploded diagram

An alternator consist of a moving coil of wire called the rotor and a stationary coil of wire called the stator. Both coils are wrapped around magnets to increase their respective electrical strengths.

DC current is supplied to the rotor by the voltage regulator and this generates a current in the stator. A slip ring on the rotor is in continuous contact with a pair of brushes as it spins which connect the rotor to the voltage regulator. This is unlike the mechanical switching that occurs in the commutator of a generator which is limiting. The constant contact is possible because the solid state power diodes in the rectifier circuit of the alternator provide the current polarity switching function. This also means that no output current passes through the brushes to wear them out prematurely.

To make the alternator more efficient, three sets of wires make up the stator and because of the way they are wrapped, voltage is produced in 3 separate phases much like transmission in city power lines. The power diodes rectify the 3-phase AC into a DC-like waveform with very little ripple. This is preferred by batteries as they charge as well as electronics you may be operating. The frequency of the AC is derived from the speed of the rotor which is governed by the engine speed.

The shape of the rotor is a claw-pole design consisting of an magnetic iron shell that keeps the wiring inside from flying out (exploding) at high rpms. It is a precision machined part with a shaft that runs in two roller bearings. Current flows through the windings of the rotor and the exact amount flowing determines how much current is induced in the stator following the laws of electromagnetism. Precisely metering the output current is the job of the voltage regulator which monitors the battery voltage to determine its load and state of charge.


Alternator Output:

Often not well known is that alternators do not produce voltage/current as soon as they start to spin. There is a zero-ampere speed at which the alternator reaches its rated voltage before it can generate any current. This is typically 1000 rpm (500 engine rpm). I came up which the second figure because the alternator pulley on the bus is half the size of the engine fan pulley and so the alternator spins at twice the engine speed. Next in the series of important events during alternator spin up is the idling speed: typically at 1500 rpm (750 engine rpm) the alternator must be able to satisfy the needs for long term consumers (basic electrical demands) without running down the battery.

Just above the idle speed is the cut-in speed at which the alternator begins to deliver current for the first time. The exact speed depends on the battery voltage, voltage from the alternator warning light (pre-excitation power), the rate of change of rotational-speed and the magnetic remanence of the rotor's magnets. If you've started your engine and "heard" the alternator slow down the engine at the beginning of fast idle warm-up this is the cut-in speed heard in action.

There is also a speed rating for the maximum current output, typically 6000 rpm (3000 engine rpm) and there is a maximum rpm at which the alternator can spin which is dictated by the roller bearings and carbon brushes inside as well as the fan because it take power to pull air through. On average this limit is 20,000 rpm (10,000 engine rpm): much higher than any stock VW engine can reach and any that do are drag racers who have no need for an alternator (substitute a dry cell battery or magneto powered ignition system).

Finally, the alternator can't run all day long at 100% duty cycle (80% is more reasonable) so you should factor your current load requirements with that in mind.


How the Voltage Regulator Works:

The voltage regulator controls the field current in the rotor of the alternator. It measures the voltage of the battery (decreasing) and by changing the current (increasing) in the rotor, more voltage/current (increasing) is produced in the stator of the alternator which is used to charge the battery. This inverse relationship between the voltage regulator and the alternator is all that's required to keep the battery charged and the electrical system powered most of the time.

The earliest voltage regulators installed on baywindows were mechanical relay based devices but they have been replaced by longer lasting more accurate solid state versions. Both styles are configured to produce 14V from the alternator and no more, hence their namesake. The mechanical versions are the easiest to understand so I'll skip the details of the microcontroller and NPN power transistor wiring in the solid state version.

If the alternator were run at idle speed on a bench you could measure the output current/voltage by changing the input current. The slip ring path through the rotor has a fixed resistance so according to ohms law (I = V/R) you can increase the current to the rotor simply by varying the voltage. This is the basis for how the voltage regulator controls the alternator's output.

VR current flow

In the diagram the left image shows the basic wiring layout and the 3 diagrams on the right show how current flows in the 3 stages of operation. Yellow arrows indicate small current flow while orange arrows indicate a larger current flow. The voltage regulator takes a 3 wire input which is uses to sense the alternator voltage and control it:

  1. rotor negative D- (brown)
  2. rotor field DF (green)
  3. stator output D+ (red)
  • C - Alternator
  • C' - Voltage Regulator
  • T1a - wiring connector to warning lamp

The blue wire leads to the warning lamp in the instrument panel and the red wire at B+ leads to the battery (via the starter solenoid). Using the legend in the wiring diagram section of Bentley's electrical chapter, you can learn to read the VR internal wiring schematic: inside is a relay controlling two contacts and a few resistors. The black block to the left of C represents the rotor inside the alternator.

The VR operates in 3 stages. The first stage (key on) initiates when the ignition key is turned to the on position but before the engine is started (alternator off). Power from the ignition switch flows through the warning lamp and through the rotor field winding in order to excite the alternator.

In stage 2 (alternator on) the engine has started, the alternator spins up at 2x engine speed and near the alternator's zero-ampere speed (around 500 engine rpm), it begins to produce voltage at B+ through one set of diodes which is fed to the battery and also to D+ which is picked up at the voltage regulator. The voltage at D+ follows B+ but varies slightly because D+ receives its signal from the stator through a separate set of diodes.

With similar voltage at both ends of the warning lamp now, it goes out. It's also interesting to note that the zero-ampere speed is largely determined by the power rating of the warning lamp. In our case, it's a normal 1.2W instrument light bulb.

The voltage at D+ is fed to DF by the VR and the increasing magnetic field in the rotor induces an alternating current in the stator which is rectified into DC and fed to the battery via B+. The output voltage varies according to the input voltage (fed back into the rotor by the VR) and the engine rpm.

In the 3rd stage (alternator idle) the output voltage has reached the 14V set point at which time the relay (coil) inside the regulator energizes and breaks the contact inside which connects D+ and DF and shunts DF to ground via D-. While the majority of current flows to ground, a small current is fed through the rotor so the alternator isn't completely turned off. The diodes inside the alternator protect it from the battery at all times during these switching operations.

solid state VR

As the voltage drops at B+, the relay contacts re-open and the VR cycles to stage 2 and the process begins all over again. The voltage is controlled using a variable frequency duty cycle approach. This system is pretty brainless and slow to respond. It's hoped that a) any sudden changes are absorbed by the battery b) a 10V "dead" battery won't be present to force the alternator to run 100% duty cycle trying to charge it. These are two reasons that solid state regulators are so much better: the better ones are microcontroller based and understand a lot more about the state of the electrical system than a simple relay. You just have to make sure you invest in one from Bosch (0 192 062 007) pictured right and not a piece of junk from Autozone. The latter contains an underpowered switching transistor and only about $1 worth of electronic parts inside.

Solid state VRs can also exert much finer control over the rotor's field voltage. At low rpms the field voltage can be set high to help the alternator keep the battery charged because it's less efficient at low rpms. Every alternator has a spec that describes a curve of current output vs. engine speed which tend to rise sharply around the idle speed and then level off.

At higher rpms, the alternator output is sufficient that only a low voltage is required. When the battery voltage is low (high current drain) the rotor voltage is increased to increase the output. All this happens instantaneously as the solid state VR monitors the battery and alternator as the electrical load and rpms change. How does it accomplish this control? By sensing the phase of the output voltage it can determine the rotor speed. As a side note, even though the alternator output is rectified from AC to DC, some of the AC leaks through the diodes and appears as a DC ripple.

When the regulator fails, the battery is either a) in danger of being overcharged or b) fails to charge. When the voltage level is too high most batteries will give off gas as the sulphuric acid and water in the electrolyte decomposes into hydrogen and oxygen. Remember the Hindenburg? You don't not want any sparks to occur when this is happening which is why the jump starting tips recommend that you connect the negative jumper cable to a good engine ground away from the battery negative post.


Testing the Voltage Regulator:

Now we know how the system works, we can easily diagnose it. Always check the regulator before the alternator because they fail more often.

Test 1. Indicator Lamp

If the lamp is not coming on when you turn the key to on you need to verify that the bulb is good. If the battery is connected then the bulb should be getting battery voltage. What is often misunderstood is the back of the instrument cluster is not made from a single piece of metal. Most of it is grounded to the body by the circle of spaded connectors on the back but the area where the indicator/warning lights reside is insulated by plastic, sometimes in two separate sections. You'll see a tab on that insulated section to provide 12V just for those lights instead of the usual ground.

Since it's only a bulb it can burn out like any other instrument lamp. To change the bulb you don't need to remove the instrument cluster but I would advise you to disconnect the battery before you accidentally short out the instrument panel and smoke the instrument wiring harness or start a fire.

Test 2. Verify voltage at harness plug

To test the regulator you need a voltmeter and a set of probes that can reach into the underside of the connector to touch the terminals. Undo the right-side mounting screw and the let the VR rotate 90 CW so you can more easily access the underside of the connector.

VR plug
State D+ (red/blue) DF (green) D- (brown) Lamp
Ignition off, engine off 0V 0V 0V off
Ignition on, engine off 1.28V 0.64V 0V on
Ignition on, engine idle 14V 5V 0V on
Engine on (fast idle) 14V 5V 0V off

Note: All voltages are DC. If you try to measure the AC voltage at DF with the engine running you should see only a few mV. The DF voltage with the engine on depends on the actual battery voltage. You will see ~5V on a fully charged battery and up to 12V as the SOC of the battery decreases. When the engine is off it will also depend on the battery voltage (SOC + electrical load) and the reading will be less than 1V.

It takes very little time for the engine to spin the alternator fast enough to generate full output voltage. If you have to rev the engine to get the warning light to go out you will probably confirm an alternator problem by measuring a battery level voltage at D+ with the key on and the engine off. A reading of 1-2V reading at both D+ and DF after the engine starts indicates a diode problem in the alternator.

Measure the battery voltage with the engine running. It should be 13.8-14.2 even with the lights on. The exact voltage depends on your alternator and wiring resistances but it's not uncommon to see a 0.4-0.8V drop with the lights on. You'll find that the mechanical voltage regulators have trouble keeping the voltage right at 14V when the system is under load.

If the VR seems to be charging the battery correctly then a full-field test of the alternator should be performed.

Test 3. Test the regulator

mechanical VR VR internals

If your voltage regulator is mechanical you should feel it clicking. If you can't feel it above the engine vibration, you'll need to open it up. By looking at the photo you might wonder, did Bosch really just seal it up with tape. Yes! To remove the cap, simply cut the tape in the middle all the way around with a utility knife and carefully wiggle the top off.

Inside is a field coil (solenoid), a choke and a pair of contacts that resemble a set of Bosch ignition points. The coil is connected across D+ and D-. When the ignition is on, battery voltage at D+ comes from the ignition switch and flows through the points to the rotor. This is the initial excitation that the alternator requires. When the alternator starts producing the 14V set point voltage, the coil energizes, breaks the contacts and the field current goes almost to zero. The choke exists to limit the arcing through the points.

If the mechanical regulator hasn't burned out you should see these readings when measuring resistance between terminals:

If you have the later style VR with a real power transistor mounted on the bottom (solid state), then your readings will be very different so don't worry.

On the bottom is a thermal resistor that drops in resistance as the intake temperature decreases. The purpose is the alter the charging set point because batteries can be charged to higher voltages in the cold. Similarly when they get too hot, the set point is lowered in order to keep them from boiling over.

temp compensation

It's not possible to test the thermistor without switching the contacts inside because the current from your ohm meter takes the path of least resistance which is between D+ and DF. You have to open the regulator and toggle the switch by hand. Take the thermistor reading between D+ and DF. It should read about 2.3 ohms at 68F and decrease with temperature (a quick blast of cold spray will confirm).

If the regulator checks out, then you need to perform a full-field test of the alternator to rule the VR out completely. This involves, disconnecting the plug from the VR and connecting the battery positive via patch cable (preferably at the B+ terminal on the alternator) to the DF (green wire) terminal of the plug. Now run the engine for a few seconds; just long enough to verify voltage at the battery. This should only be done for an instant because the voltage coming out of the alternator will be unregulated but it will determine if the VR needs to be replaced or if the alternator is at fault. Because we've bypassed the VR, sensitive electronics maybe at risk! If your engine is fuel injected I recommend that you take the alternator to an alternator repair shop for a full field bench test instead (tests are usually free).

Does it get hot? Sometimes it can. The VR takes 12V from the battery as input. If it needs to pass 2A of current through the 4.5 ohm rotor to raise the output voltage to 12V that means it has to send 9V through. This means it has to absorb 3V at 2A of current which equates to 6W of power that it has to dissipate as heat.

Test 4. Test the wiring harness

This isn't an easy step with the alternator installed but it is possible. You need to disconnect the harness plug from the alternator to test the resistance of each wire. Resistance should be 0.1 ohms or less. Corrosion is usually heavier on the alternator side but you should also examine the voltage regulator plug including the wiring that leads to the indicator light on the dash. Use a pick and bend the tabs inside from the front to remove the uninsulated terminals from the rear. Badly corroded terminals can be replaced easily because this harness tends to have a lot of slack in it.

If the wire is bad, you'll have to replace the wiring and shrink wrap it. I recommend using the same colors and be sure not to get the colors mixed up when you reattach the terminals to the plugs or you'll smoke the alternator.


Testing the Alternator:

Test 1. Physical indicators

Is the belt tight? If it's too tight it will place a side load on the bearings and prematurely wear them out. If it's too loose, it may slip on the pulley and not spin the alternator fast enough. Excessive slipping noises are always obvious but not always present. The belt stretches and requires re-adjustment, especially after you install a new one. I've even seen belt stretch from the engine almost overheating in extremely hot/dry weather.

Since the rotor is magnetic you can test that it is getting current without disassembling it (the VR has to be working with the key on for this test):

Be sure to test that the screwdriver has no residual magnetic pull before you test it against the alternator. If there is little or no pull on the screwdriver, unplug the VR and short the red and green wires together. Now turn on the key and this will provide the rotor with a direct 12V field which should increase the magnetic pull.

If there is still no pull, test the voltage of the red wire. If there is no voltage the harness maybe broken or not making proper contact. If there is still no magnetism then the alternator maybe bad (diode, short, etc).

test jig

Test 2. Full field test

This was described above in the VR section. The alternator should produce 90% of its rated output during the test to be considered good. In the photo you can see the technician at the rebuild shop just uses a large electric motor to spin up the alternator. They all seem to have this kind of home made setup and usually have some hard to read oscilloscope.

Keep in mind that alternators are designed to operate at 80% or so duty cycle. When you drive the alternator with full input voltage at DF you risk damage to it unless the test is brief.


Test 3. Electrical faults

alternator schematic

A Bosch alternator has 9 diodes: 3 negative and 3 positive power diodes form the full-wave bridge rectifier that convert AC to DC. Then there are 3 smaller isolation/excitation diodes. The last 3 are the ones that control D+ on the voltage regulator but most auto part stores have no inclination of testing them: they apply a voltage to DF, spin it up, the alternator puts out 90-100% rated amps at B+ and they say it's good but that test doesn't prove the alternator is working correctly! If the output waveform at D+ isn't checked you can't be sure the alternator is working!!! Abnormal output at D+ is usually caused by bad diodes. For example, a high cut-in rpm is a common side-effect of diode failure.

The reason for testing the smaller isolation diodes properly is that when they fail the VR will be confused and not know how to control an alternator that can otherwise output full voltage/current. They provide the voltage signal used to determine the battery voltage. If the test is skipped, you may simply get back home with your alternator, reinstall it, replace the regulator on the advice of the auto parts store and still have charging problems. You need an oscilloscope to detect this without disassembling the alternator.

Rate their test procedure...a complete test of the alternator would consist of:

Of course, since the test is free, they only do the minimum: full field-test.

Disconnecting the battery while the alternator is running can fry the diodes inside so never do that even when the engine if turned off. You should not do this in order to test the alternator by seeing if the car still runs or by checking the voltage at the battery. The battery also acts like a huge capacitor that smoothes out the power delivery from the alternator. Sensitive electronics may fry if you run the alternator without the battery.


Alternator Wear:

If the alternator checks out electrically, you still need to inspect the parts so you don't get stuck on the road. Alternators have a limited life before they require rebuilding. You can expect to get 200k miles out of a factory unit. By that time, you will have one or many of the following problems:

There should be no side to side play in the rotor/pulley. That indicates your bearings are shot. In there is excessive endplay it means that the rotor is not press fit to the bearing anymore or the drive end bearing retaining cap has come loose and the bearing is no longer press fit to the drive end plate (housing).

Bearing replacement requires complete disassembly. Often the bearings are so old that the grease inside has dried up, become contaminated or no longer contacts the bearings. Bearing grease can dry out long before the expected life of the bearing is reached, so you may have worn bearings after 100k miles if your alternator sat unused for many years. If the bearings spin easily and make a metallic rolling sounds they are wearing. If you hear any grinding noises they are finished. Only a silent bearing that spins down very quickly is in excellent condition.

Worn brushes are a simply matter of replacement. The brushes are carbon based and a spring presses them against the slip-rings. When the springs are fully extended (about 4-6mm of wear) they no longer make good contact with the slip-rings. Brushes should be inspected every 75k miles on a Bosch alternator.

Quite often the symptom of worn out brushes is a a flickering warning light on the dash.

Worn slip-rings are a more involved repair. The slip-rings are made from copper and the brushes carve a groove into them. You can turn the slip rings if they are not too worn but the mileage of the alternator will depend on how much copper is left. At some point the slip rings have to be removed, replaced and re-soldered to the rotor.

Noise mainly comes from worn out bearings. With the engine running your cannot hear the noise from worn brushes although you can hear it when you spin the rotor by hand as well as see it on an oscilloscope.


References:

History:

07/17/05 - Created
09/24/05 - Updated with photos
09/08/11 - Fixed broken photos, added translate button, updated footer
07/15/19 - Google update: new adsense code, removed defunt translate button
08/22/22 - Added photos of battery voltages under load (headlights on for 5 mins)