VW Microfiches for Type 2 1968-1979
Index by Richard Atwell
(c) Copyright 2004-2011
|
|
|
Give a man a fish and he will eat for a day. Teach him how to fiche and he will read for a lifetime." - old German Proverb :-)
I've provided two indexes, one by VW classification and the other by the original bug-bits layout. If you don't understand the groupings read VW Part Numbering System by Melissa Kepner and Jim Adney.
I've used the original filenames for the gif images for two reasons. First, because the filenames reflect the illustration numbers and second, so urls archived in mailing lists can be easily mapped to these pages by editing the url. I also corrected several mistakes from the original archived copy.
Index:
1 - Engine, Clutch | 2 - Gastank and Pipelines, Exhaust System, Heater | 3 - Transmission | 4 - Front Axle, Differential, Steering | 5 - Rear Axle | 6 - Wheels, Brakes | 7 - Hand and Footlevers, Safety-covers | 8 - Body | 9 - Electrical | 0 - Extras
| Accelerator
pedal | Gears for manual
transmission |
| Activated carbon
container | Halogen fog light (
not USA) |
| Air filter (FI) | Handbrake lever |
| Air filter 1.7-1.8 | Headlight |
| Air filter and inlet manifold
1.6 | Headlight washer
system |
| Alternator and
parts | Headlight, reverse
light, spot relay |
| Alternator and parts (not
USA) | Heat exchanger
1.6 |
| Ambulance interior parts (not
USA) | Heat exchanger 1.7-
2.0 |
| Ambulance light (not USA), licence
plate light (only USA) | Heater
control cables |
| Automatic step and mud
flap | Horn and horn
push |
| Blackout covers | Hot air fan |
| Body Shell |
|
| Brake and clutch pedal
cluster | Ignition coil and
leads |
| Brake disc and
caliper | Ignition
switch |
| Brake hub, cable and
shoe | Inlet manifold
1.6 |
| Brake light switch | Inlet manifold 1.7-1.8 |
| Brake lining, brake cylinder (not
USA) | Inlet (vacuum) system
(FI) |
| Brake master
cylinder | Interior equipment
for ambulance |
| Brake pipe | Interior light and switch |
| Brake servo | Interior trim |
| Brake shoe and
carrier | Jack and tool
bag |
| Brake slave
cylinder | Latch, side panel
cover |
| Brake, turn, tail light, brake
switch | Limited slip diff (not
USA) |
| Bumper, front | Motor complete |
| Bumper, rear | Mounting for alternator (not
USA) |
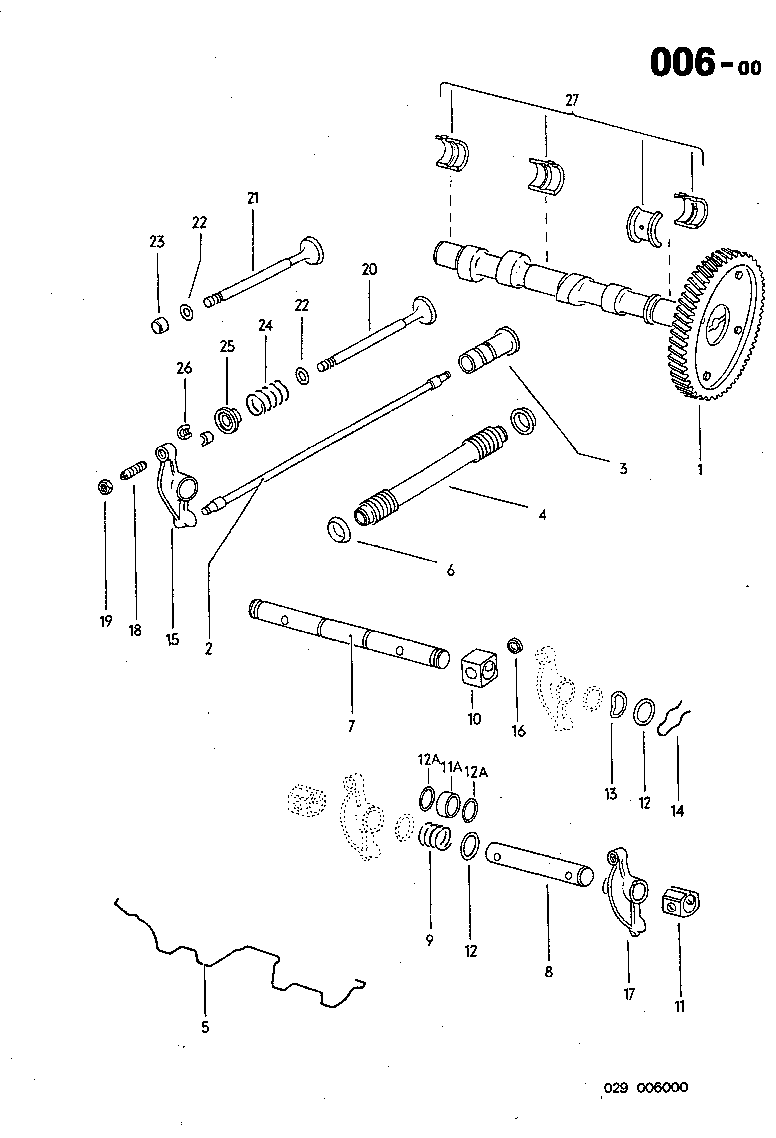
| Camshaft and valve train * | Oil
cooler |
| Canopy for pickup | Oil pump and filler 1.6 * |
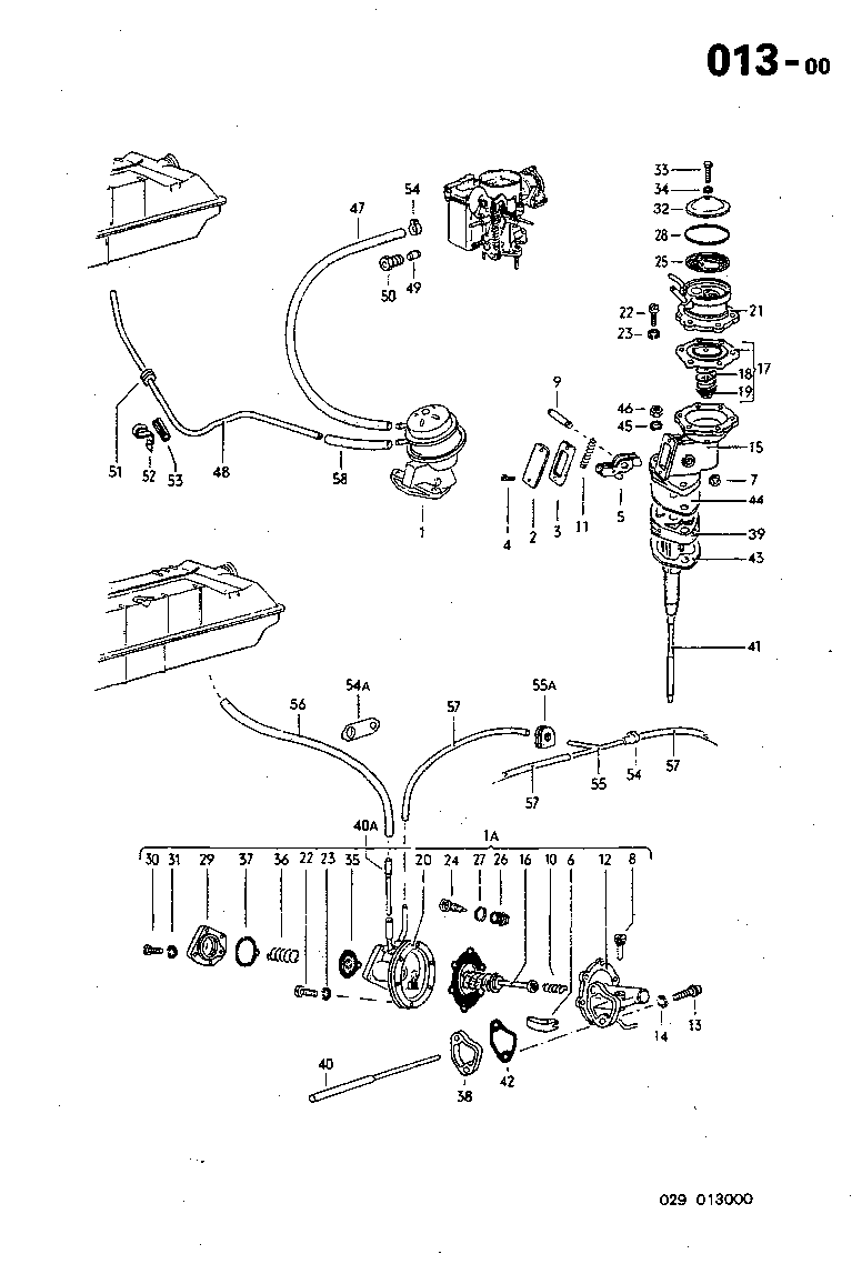
| Carburetor | Oil pump and filler 1.7-2.0 |
| Carburetor | Pistons and rings |
| Carpet | Rear door, engine panel |
| Chassis parts | Rear fog light (not USA) |
| Clutch | Rear seats in double cab |
| Clutch - automatic | Rear torsion bar and damper |
| Clutch cable | Rear view mirror and sun visor |
| Column switches | Repair plates (not USA) - 1 |
| Cooling flap, thermostat and
linkage | Repair plates (not
USA) - 2 |
| Corner panel, sound absorber
etc | Repair plates (not USA) - 3 |
| Crankcase and mounting parts for
engine and trans 1.6 * | Repair plates (not USA) - 4 |
| Crankcase and mounting parts for
engine and trans 1.7-2.0 | Roof,
ventilator |
| Crankshaft, con rods and
flywheel | Seat backs and
passenger compartment |
| Cylinder and cylinder head * | Seat
belts |
| Dashboard | Seat belts in passenger
compartment |
| Deceleration boost
(FI) | Seats |
| Differential | Seats in cab |
| Differential - automatic
| Securing brace |
| Differential and limited
slip | Side panel, A and B posts
etc |
| Distributor | Sliding and fixed partition windows (not
USA) |
| Door, lock, lock operating
lever | Sliding and fixed side
windows |
| Door handle, lock for sliding
door | Sliding door, hinge
etc |
| Door window seals | Starter motor |
| Doors | Stationary heater |
| Drive shaft and swing
axle | Steel sliding roof
parts |
| Dropsides, locker
lid | Steel sun
roof |
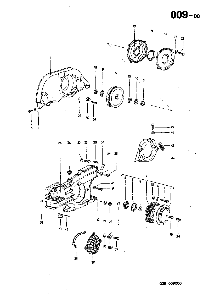
| Dynamo and
alternator | Steering
gear |
| Eberspaecher heater
1 | Steering tie
rod |
| Eberspaecher heater
2 | Steering wheel |
| Emission control
(T4) | Stretcher etc for
ambulance (not USA) |
| Engine cover plates front and
rear | Tinware |
| Exhaust 1.6 | Torsion arm |
| Exhaust 1.7-2.0 | Torsion bar, stabilizer, shock
absorber |
| Exhaust
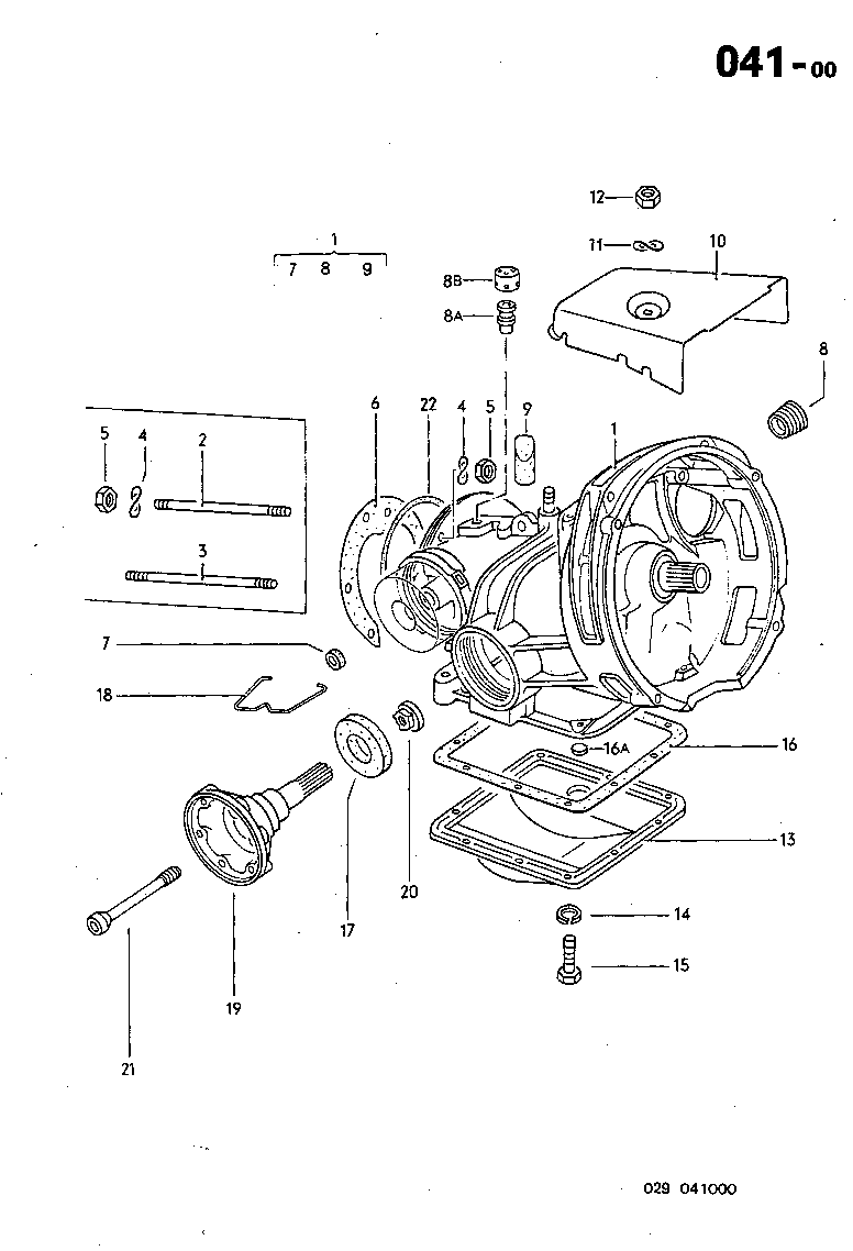
recirculation | Transmission |
| Fan, switch, relay, Eberspaecher
heater | Transmission case - 3
speed automatic |
| Fan housing | Transmission case - 3 speed
automatic |
| Floor plates, wheel housing
etc | Transmission housing -
automatic |
| Forward gear clutch - 3 speed auto
| Transmission
mounts |
| Frame | Transmission shift mechanism |
| Fresh air controls | Transmission shift mechanism -
automatic |
| Front panel, dash
etc | Turn signals - on
roof |
| Front torsion bar | Valve body and oil strainer -
automatic |
| Fuel filter, coil, switch, relay,
Eberspaecher heater | Wheel |
| Fuel pump (FI) | Window glass and seals |
| Fuel pump and fuel
line | Window
mouldings |
| Fuel tank | Windshield wiper motor |
| Fuel tank and
filler | Windshield wiper and
windscreen washer unit |
| Fuse box, fuel sender, warning
lights etc | Wiring
loom |
| Gauges and demister
fan | |
VW Part Number:
- Main Group 1 (Engine, Clutch)
- Sub Group 15
- Oil pump, oil filer pipe, oil dipstick 44,46,47,50 - Illustration 07-00
- Oil pump, oil filer pipe, oil dipstick 62,66,68,70 - Illustration 07-10
- Main Group 2 (Gastank and Pipelines, Exhaust System, Heater)
- Sub Group 61
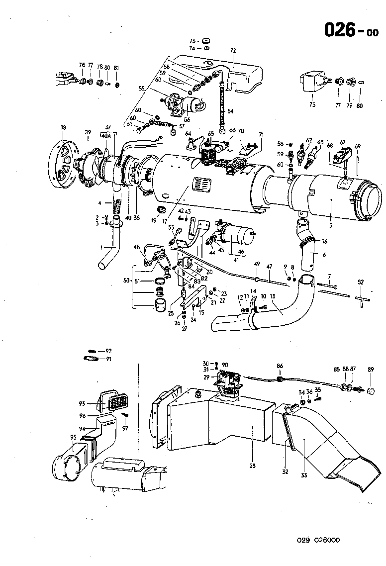
- Stationery heater EBERSPAECHER F >>211 2300 000 211-244 271,274, 265,268 - Illustration 26-00
- Stationery heater EBERSPAECHER F 212 2000 001>> 213 2300 000 lhd 211-244 271,274, 265,268 - Illustration 27-00
- Stationery heater EBERSPAECHER F 212 2000 001>> 213 2300 000 lhd 211-244 271,274, 265,268 - Illustration 27-10
- Heater "BA6", hot air fan, heater pipe, stationary heater EBERSPAECHER F 214 200 001>> lhd 211-271 - Illustration 27-20
- Fuel filer, ignition coil, switch, relay, stationary heaer EBERSPAECHER F 214 200 001>> lhd 211-271 - Illustration 27-30
- Hot air fan - Illustration 28-00
- Main Group 0 (Extras)
- Sub Group 12
- Jack - Illustration 108-00
References:
History:
01/14/04 - Created
01/23/04 - Added book Illustrations 106, 107 and 109 missing from ETKA sent to me by Vincent Molenaar.
12/23/04 - Added Carburetors (Illustrations 14-00 and 14-10) to VW Part index
09/06/11 - Fixed broken photos, added translate button, updated footer
07/15/19 - Google update: new adsense code, removed defunt translate button